行业前沿
煤层气蓄热氧化技术 超低浓度瓦斯利用的有效方向
文章来源:发布时间:2024-12-19 15:54:34浏览量:1376
煤层气(又称“煤层瓦斯”),与煤炭相伴而生,其主要成分为甲烷,热值与常规天然气相当,是近20年来崛起的一种清洁、高效的优质能源。对煤层气进行综合利用,可节约资源、减少环境污染、促进煤矿安全生产、调整能源结构。
根据瓦斯中甲烷体积含量的不同,结合当前瓦斯利用技术的划分,煤层气可分为3个浓度梯度:超低浓度瓦斯(CH4<8%)、低浓度瓦斯(8%<CH4<30%)和高浓度瓦斯(CH4>30%)。

PART.01 高浓度瓦斯
高浓度瓦斯(甲烷体积分数 30% 及以上),年开采量100亿m³,已经成 为民用、燃料、化工等不同利用方向的清洁能源,90%已被利用。
PART.02 低浓度瓦斯
低浓度瓦斯(甲烷体积分数 8%<CH4<30%),年开采量140亿m³,占总排放量的15%,用于内燃机发电、供热,50%已被利用。
超低浓度瓦斯(甲烷体积分数 8% 以下),年开采量550亿m³,占总排放量的80%,属于CCER支持的范围,没有利用而直接排放到大气中,既是对资源的浪费,也是对环境的污染。
通常,对于煤层气的利用会根据不同的抽采方式及煤层气中甲烷体积分数(瓦斯浓度)高低而选择合理的利用方式。
低浓度瓦斯对其利用方式可细分为:甲烷体积分数8%~30%,主要用于低浓度瓦斯发电;甲烷体积分数1%~8%,通常将其与空气掺混用于低浓度瓦斯蓄热氧化;甲烷体积分数小于等于0.75%(矿井乏风),绝大部分直接排空,少部分与抽采瓦斯掺混用于低浓度瓦斯蓄热氧化,其中效率更高的方式是低浓度煤层气蓄热氧化技术。
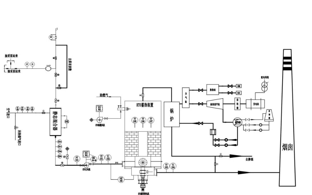
超低浓度煤层气蓄热氧化技术通过将乏风或空气与抽采瓦斯掺混配制成瓦斯浓度约为1%的稳定气源,掺混气体进入蓄热氧化装置被加热、氧化并释放热量,随着蓄热氧化装置的周期换向,装置进入自维持运行的稳定状态。通过连接配套的热能利用设备,可将多余的热能用于井筒加热、矿区供暖、煤泥烘干、蒸汽发电等。
乏风瓦斯蓄热氧化热电联产系统图
潞安集团主要生产基地潞安矿区和武夏矿区合计面积约4328k㎡,煤层气资源储量约4340×108m³,可采储量1120×108m³。十三五期间,潞安集团共有高瓦斯矿井20座,突出矿井2座。2020年,潞安集团所属矿井抽采瓦斯总量超5×108m³,利用瓦斯总量超2.5×108m³。其中地面井抽采量0.5×108m³,利用量0.5×108m³,井下煤层气抽采量4.5×108m³,利用量2.0×108m³。近年来潞安集团建成了多样瓦斯利用工程项目,基本实现了煤矿瓦斯全浓度的梯级利用。
潞安集团古城煤矿乏风瓦斯治理碳减排全球规模最大、标准最高的CCER 项目
CCER(China Certified Emission Reduction)是中国核证自愿减排量的简称,其基本概念是将温室气体减排项目所吸收的二氧化碳进行量化、核证,并在市场上出售。潞安集团古城煤矿乏风瓦斯治理碳减排项目是全球规模最大、标准最高的 CCER 项目!项目采用昱昌 100万风量的旋转阀式 RTO。
潞安集团古城煤矿,超低浓度瓦斯综合利用碳减排项目,由上海申能集团和潞安化工集团有限公司合作建设。

潞安集团古城煤矿乏风瓦斯发电岛
1 该项目核心蓄热氧化装置由西安昱昌环境科技有限公司提供,选用10台100000Nm³/h的旋转阀式RTO炉,设计处理瓦斯纯量12000m³/h,其中利用乏风100万m³/h,是目前国内运行装机容量最大的乏风瓦斯发电岛。
2 该项目利用浓度低于8%的煤矿超低浓度抽排瓦斯和乏风瓦斯,实现热电联供。非采暖季发电,采暖季优先供暖、余热发电。
3 该项目实际运行年发电量可达2亿KW/h,年销毁甲烷1亿m³,年碳减排165万吨,实现了经济效益与社会效益双丰收。
当前,我国超低浓度煤层气利用产业市场前景广阔,超低浓度煤层气利用技术与装备的发展对促进我国全浓度范围的煤层气利用产业发展具有重要意义。