行业前沿

行业前沿

Lastest technology

行业前沿

Lastest technology
当前位置:首页>行业前沿> 行业前沿
行业前沿
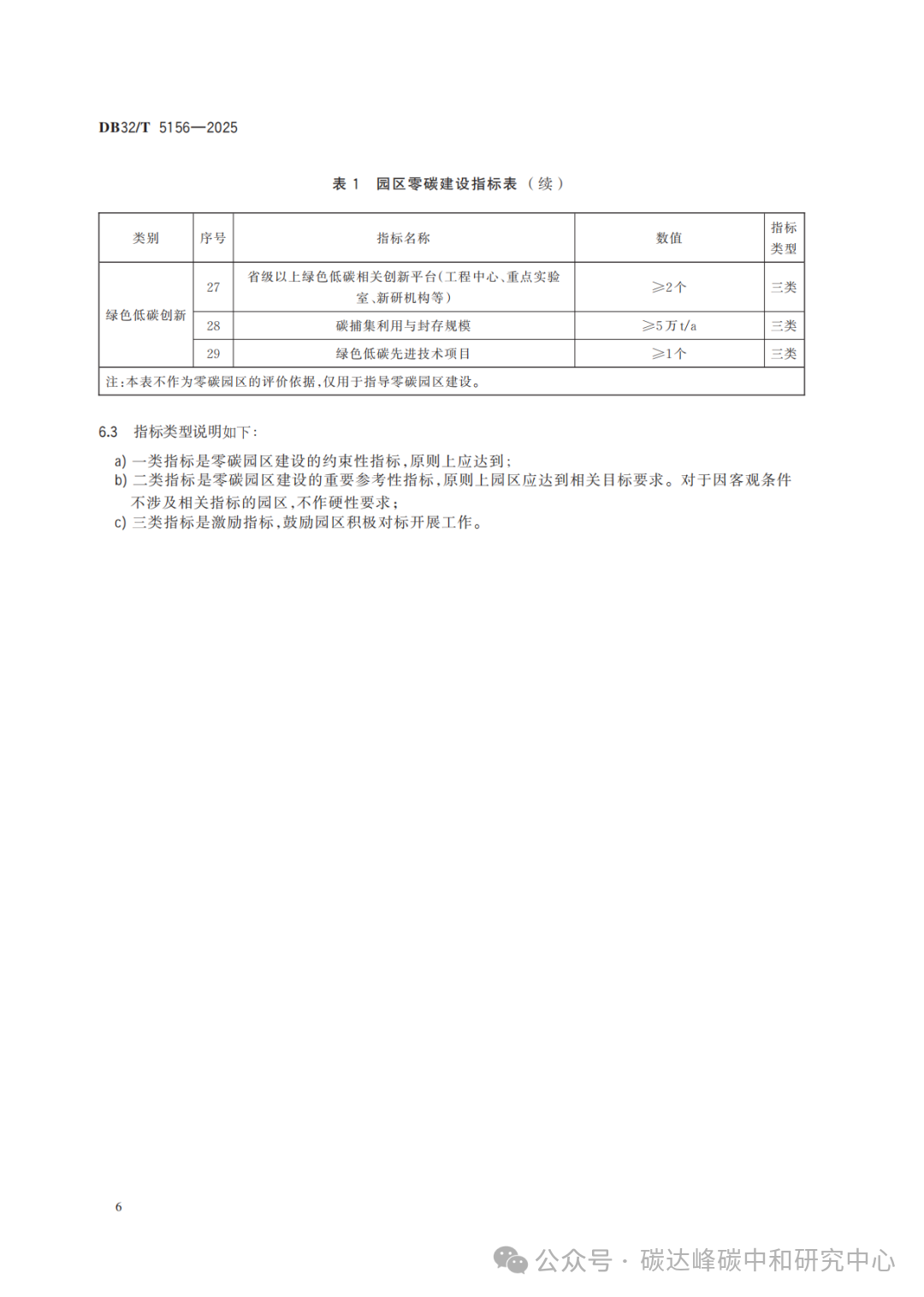
零碳园区建设指南
文章来源:发布时间:2025-09-11 11:04:24浏览量:165

《零碳园区建设指南》地标实施!


2025年09月03日 13:39北京
图片
图片
图片
图片
图片
图片
图片
图片
图片
图片
图片
图片
图片
图片
图片
图片

免责声明:所载内容来源互联网,微信公众号等公开渠道,我们对文中观点保持中立,仅供参考,交流之目的转载的稿件版权归原作者和机构所有,如有侵权,请联系我们删除。


  • 联系电话:0351-8721406
  • 邮箱:sxzywsyjzx@163.com
  • 地址:太原市万柏林区滨河西路南段129号
移动端浏览

版权所有:山西晫越瓦斯研究中心          备案号:晋ICP备2023001691号-1          技术支持:山西龙采科技